Категорії
-
Компресори повітря
- Гвинтові компресори без ресивера
- Гвинтові компресори з ресивером
- Пересувні гвинтові компресори
- Стаціонарні гвинтові компресори
- Гвинтові компресори з частотним перетворювачем
- Гвинтові компресори з осушувачем повітря
- Компресори 220 вольт
- Компресори 380 вольт
- Гвинтові компресори високого тиску
- Гвинтові компресори низького тиску
- Гвинтові маслозаповнені компресори
- Гвинтові компресори з прямим приводом
- Маленькі гвинтові компресори
-
За призначенням
- Гвинтові компресори промислові
- Повітряні компресори для фарбування
- Компресори для фарбопульта
- Гвинтові компресори для піскоструя
- Компресори для СТО, автосервісу, шиномонтажу
- Компресори для видування ПЕТ тари
- Компресори для гаража
- Компресори для майстерні
- Компресори для плазморіза
- Компресори для лазерного верстата
- Компресори для верстатів із ЧПК
- Компресори для пневмоінструменту
- Компресори побутові
- Компресори для будинку
- Компресори для будівництва
- Компресори для продувки
- Запчастини гвинтового компресору
- Компресорна олива
- Магістральна підготовка повітря
- Блоки підготовки повітря
- Пневморозподільники
- Пневматичні циліндри
- Пневмовібратори та молотки
- Пневмоінструмент
- Запірно-регулююча арматура
- Фітинги та трубки
- Частотні перетворювачі
- ПЛК та датчики
- Панелі управління
- Вакуумна техніка
- Системи ЧПУ та серводвигуни
- Матеріали та послуги
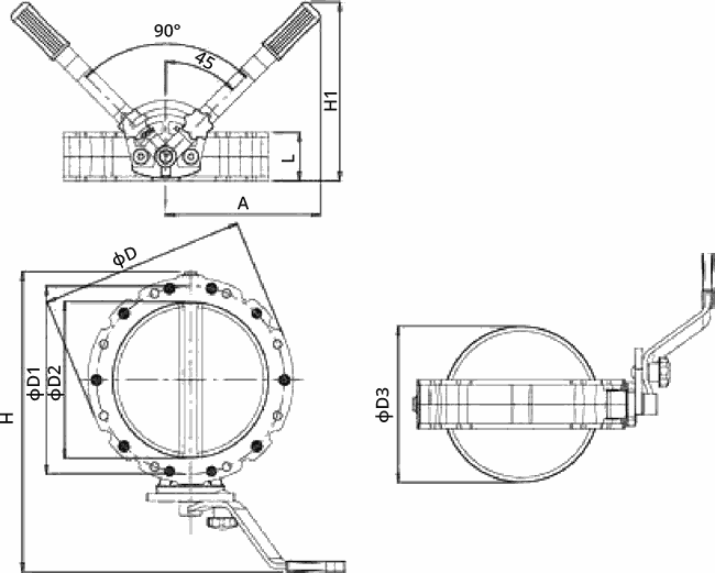
Засувка з рукояткою для сипучих матеріалів DN300 (SCBF-BV2-6JA-300-H)
: На складі
: 9,659 грн
Звичайна ціна
Сума: 9,659 ₴
Фланцевий батерфляй з ручним управлінням серії SCBF-BV2-6JA-300-H це дискова поворотна заслінка ДУ 300 для текучих та сипучих продуктів (гранул, зерна, муки) при тискові PN0.1 у збірці з надійним ручним приводом. Вал та рукоятка засувки батерфляй з'єднані за допомогою надійного шліцьового типу з'єднання. Цим забезпечується міцність та захист від відкручування ручки. Комплект:
- засувка батерфляй для сипучих продуктів SCBF-BV2-6JA-300-H
- гумові міжфланцеві ущільнення 2 шт. (входять у вартість)
- рукоятка-важіль з жовтою накладкою SC-BV2-6JA-300-Handle
Серія розрахована для силосів та бункерів з трубопроводами діаметром 300 мм. Диск виготовлений з чавуну, корпус — силумін (сплав алюмінію з кремнієм). Завдяки цьому виріб має необхідну міцність при меншій вазі.

Розмір | D | D1 | D2 | D3 | H | H1 | L | A | |
---|---|---|---|---|---|---|---|---|---|
DN | NSP | ||||||||
250 | 10″ | 328 | 300 | 250 | 250 | 480 | 286 | 77 | 247 |
* Виробник залишає за собою право змінювати розміри моделі без повідомлення покупця.
Супутні товари

Промисловий пневмовібратор турбінний серія SC-PV-GT-10 та різьбою G 1/8″
Зусилля - 291 H

Фланець для монтажу рукавів на засувки для сипучих продуктів SCBF-BV2
Фланцеве кріплення