Категорії
-
Компресори повітря
- Гвинтові компресори без ресивера
- Гвинтові компресори з ресивером
- Пересувні гвинтові компресори
- Стаціонарні гвинтові компресори
- Гвинтові компресори з частотним перетворювачем
- Гвинтові компресори з осушувачем повітря
- Компресори 220 вольт
- Компресори 380 вольт
- Гвинтові компресори високого тиску
- Гвинтові компресори низького тиску
- Гвинтові маслозаповнені компресори
- Гвинтові компресори з прямим приводом
- Маленькі гвинтові компресори
-
За призначенням
- Гвинтові компресори промислові
- Повітряні компресори для фарбування
- Компресори для фарбопульта
- Гвинтові компресори для піскоструя
- Компресори для СТО, автосервісу, шиномонтажу
- Компресори для видування ПЕТ тари
- Компресори для гаража
- Компресори для майстерні
- Компресори для плазморіза
- Компресори для лазерного верстата
- Компресори для верстатів із ЧПК
- Компресори для пневмоінструменту
- Компресори побутові
- Компресори для будинку
- Компресори для будівництва
- Компресори для продувки
- Запчастини гвинтового компресору
- Компресорна олива
- Магістральна підготовка повітря
- Блоки підготовки повітря
- Пневморозподільники
- Пневматичні циліндри
- Пневмовібратори та молотки
- Пневмоінструмент
- Запірно-регулююча арматура
- Фітинги та трубки
- Частотні перетворювачі
- ПЛК та датчики
- Панелі управління
- Вакуумна техніка
- Системи ЧПУ та серводвигуни
- Матеріали та послуги
Пневмопривід поворотний для запірної арматури SC-RAT/RST125-DA
: На складі
: від 10,195 до 13,348 грн
Звичайна ціна
Сума: 10,195 ₴
Модель | Опції | Ціна за одиницю | |
---|---|---|---|
SC-RAT125-DA | 125 / Двосторонній | 10,195 ₴ | |
SC-RST125-DA | 125 / З пружинним поверненням | 13,348 ₴ |
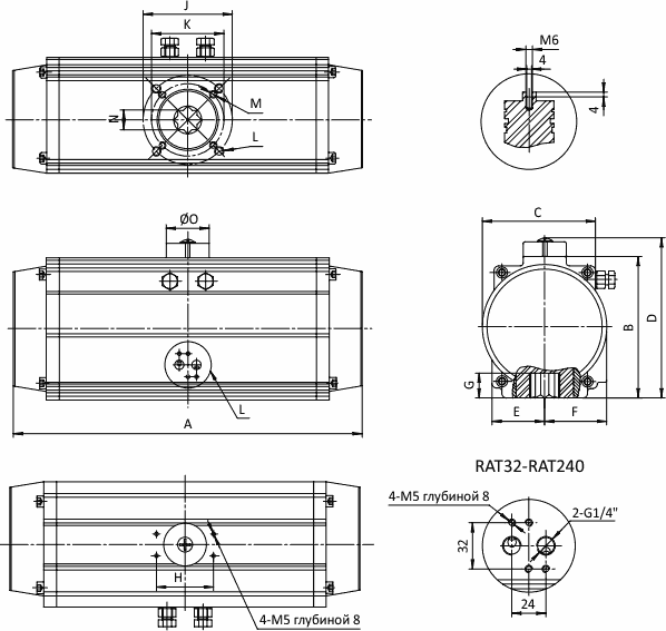
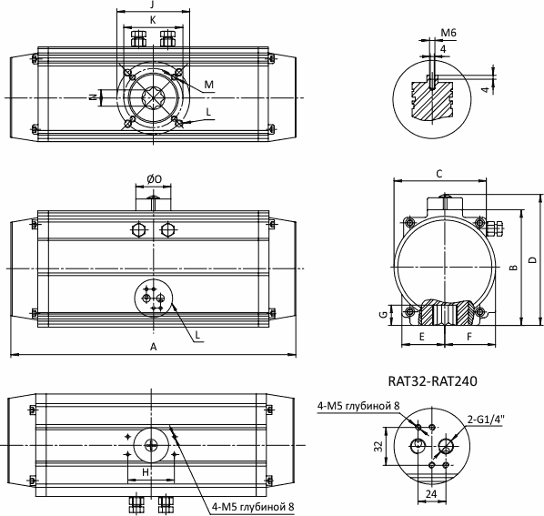
Пневматичний поворотний привід для запірної арматури SC-RAT/RST125-DA з діаметром поршню 125 мм має поворот 90 або 180° та крутний момент до 466,4 Н⋅м (при тискові 8 бар). Це надійний пневмопривід призначений для установки на великі кульові крани 4~5″ та дискові заслінки батерфляй ДУ 125~200, що мають стандартну площадку для кріплення приводу F07/F10 за стандартом ISO 5211/DIN3337. При замовлені Ви маєте обрати спосіб дії:
- SC-RAT125-DA — пневмопривід двосторонньої дії. Має бути оснащений розподільником стандарту Namur 5/2 з розміром різьби 1/4″ на виході пневморозподільника;
- SC-RST125-DA — пневмопривід односторонньої дії з примусовим пружинним поверненням в закрите/відкрите положення на випадок падіння тиску повітря. Сила повороту залежить від числа пружин (від 5 до 12). Для управління можуть застосовуватись як розподільники 3/2, так і 5/2. Ми рекомендуємо подавати повітря на обидва виходи за допомогою конструкції 5/2.
Горизонтальний пневмопривід 125 SC-RAT/RST125-DA
Корпус повітряних приводів Specialist виготовлено з екструдованого алюмінію з глибоким анодуванням внутрішньої та зовнішньої поверхні.
За будовою це рейковий поворотний пневматичний циліндр на чверть 90±4° для кульового крану або 180±4°. Його можна оснастити пневматичними розподільниками стандарту NAMUR, позиціонерами, блоком кінцевих вимикачів.
Крутний момент пневмоприводу подвійної дії 125 SC-RAT125-DA
Тиск, Бар | ||||||
---|---|---|---|---|---|---|
2 | 3 | 4 | 5 | 6 | 7 | 8 |
116.6 | 174.9 | 233.2 | 291.5 | 349.8 | 408.1 | 466.4 |
Крутний момент пневмоприводу одинарної дії 125 SC-RST125-DA
Тиск, Бар | 3 | 4 | 5 | 6 | 7 | Крутний момент від пружини | ||||||
---|---|---|---|---|---|---|---|---|---|---|---|---|
Число пружин | 0° | 90° | 0° | 90° | 0° | 90° | 0° | 90° | 0° | 90° | 0° | 90° |
5 | 115.5 | 88 | 173.8 | 146.3 | - | - | - | - | - | - | 59.4 | 86.9 |
6 | 103.6 | 70.6 | 161.9 | 128.9 | - | - | - | - | - | - | 71.3 | 104.3 |
7 | 91.8 | 53.5 | 150.1 | 111.6 | - | - | - | - | - | - | 83.1 | 121.6 |
8 | - | - | 138.2 | 94.2 | 196.5 | 152.5 | - | - | - | - | 95 | 139 |
9 | - | - | 126.3 | 76.8 | 184.6 | 135.1 | - | - | - | - | 106.9 | 156.4 |
10 | - | - | 114.4 | 59.4 | 172.7 | 117.7 | 231 | 176 | - | - | 118.8 | 173.8 |
11 | - | - | - | - | 160.9 | 100.4 | 219.2 | 158.7 | 277.5 | 217 | 130 | 191.1 |
12 | - | - | - | - | 149 | 83 | 207.3 | 141.3 | 265.6 | 199.6 | 142.5 | 208.5 |


A | B | C | D | E | F | G | H | I | J | K | L | M | N | O | A120 | A180 | Підключення повітря |
---|---|---|---|---|---|---|---|---|---|---|---|---|---|---|---|---|---|
340 | 155 | 120.5 | 175 | 67.5 | 70 | 27.5 | 80 | 30 | ⌀102 | ⌀70 | M10×16 | M8×13 | 22 | ⌀65 | 365 | 470 | G 1/4″ |
Отвори для повітря (підключення розподільника) — дюймова трубна циліндрична різьба G 1/4″.
Розміри кріплення розраховані для запірної арматури (кульових кранів, батерфляй засувів) з уніфікованою монтажною платформою F07/F10 стандарту ISO 5211/DIN3337. При квадраті на запірній арматурі 17 мм Ви можете замовити в нас перехідник-адаптер з квадрату на зірку SCBF-ROD-22x17.
* Виробник залишає за собою право змінювати розміри моделі без повідомлення покупця.
Супутні товари

Пластиковий цанговий фітинг серії SF-EPL кутовий з'єднувач із зовнішньою різьбою

Пневморозподільники Namur 5/2 серії SV-DN з різьбою 1/4″ та одностороннім електроуправлінням
Різьба: G1/4″
Соленоїд: 12, 24, 220 Вольт